全国统一服务电话

0371-6777 2727
扫码拨打二维码
扫码拨打扫码拨打
  1. 网站首页 >
  2. 新闻中心 >
  3. 行业新闻 >
  4. 铝矾土矿矿石性质及工艺

铝矾土矿矿石性质及工艺

发布时间:2015-10-20 16:02:52 更新时间:2020-05-27 15:10:06 作者:易彩堂机器 免费咨询箭头

我国高铝矾土资源非常丰富,铝矾土是由长石、云母等矿物风化而形成的,它的主要矿物类型是三水铝石、硬水铝石和勃姆石。此外,由于矿物形成的条件不同,还可能含有高岭石、石英、方解石等杂质。铝矾土在工业上应用十分广泛,铝矾土可用于炼铝、制高铝水泥、人造金刚砂(刚玉)和化工原料等,也可用作耐火材料的主要原料。

铝矾土

一、矿石性质

矿床由上、中、下三个含矿层构成(铁铝岩及铁粘土岩、高铝粘土、高岭石质粘土岩及含砂含铁粘土岩)。矿石中主要矿物有:水铝石、高岭石、水铝氧石、赤铁矿、褐铁矿、金红石、白钦石、石英、白云母、勃姆石、绿泥石、碳酸盐等矿物。矿石中水铝石和高岭石占矿物含量的81.79%,其他矿物只占18.21%。矿物嵌布粒度很细,磨至98.50%一200网目,水铝石和高岭石的单体分离度分别为96.23%和95.36%。在0.05一0.01毫米和 0.01毫米级别中铝矿物比较集中。粒度分析结果见下表。

铝矾土矿矿石性质及工艺

二、闭路流程选矿工艺研究

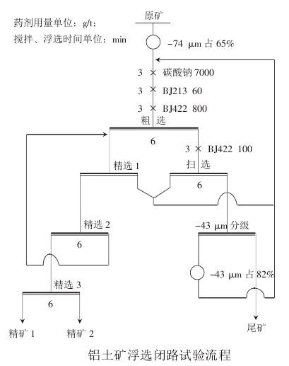
在条件试验及流程结构研究的基础上,进行了实验室小型闭路试验。闭路试验工艺流程如图1所实验室小型闭路试验。闭路试验工艺流程如下图所示,试验结果列于下表。以铝土矿易彩堂物粗细粒不均匀分布为依据,实现一段粗磨(-74μm粒级占65%)与二段细磨(-43μm粒级占82%)优化组合,在保证精矿品位和回收率的情况下,降低了磨矿作业的处理量。为保证精矿质量,精选3开路空白精选,获得高品位的精矿1和中等品位的精矿2。

铝矾土矿矿石性质及工艺

表中试验结果表明,中低品位的铝土矿经过阶段磨矿—浮选分离可以提纯为Al2O3品位大于75%的高品位铝土矿,且回收率大于50%。精矿2铝硅比大于8,可作为生产氧化铝的原料。

铝矾土矿矿石性质及工艺

我们易彩堂机械专业的选矿设备生产厂家,在为用户提供优质浮选机设备的同时,能够为用户指定合理的浮选工艺,能够大大提高水泥生产的效率与质量,保证铝矾土的高质量利用,节能降耗,以实现资源的回收利用率。欢迎前来我公司咨询选购。

专业解答客户问题

结合实际配置方案

上门安装调试设备

定期回访与检测

24小时咨询热线:

0371-67772727
在线留言 报价清晰 材料透明 省钱省心

免费提供设备报价、方案设计等服务,欢迎您随时咨询,我们将第一时间给予回复

  • 姓名:
  • 联系方式*
  • 您的需求:
    点击快捷留言点击快捷留言
    点击关闭

    01.鹅卵石制砂用什么设备?

    02.建筑垃圾处理用哪种机器好?

    03.移动式的破碎设备需要投入多少钱?

    04.我想要一套碎石生产线设备详细的配置方案和报价

    05.履带式移动破碎机价格多少?

工厂位置